系列文章目录
1.元件基础
2.电路设计
3.PCB设计
4.元件焊接
5.板子调试
6.程序设计
7.算法学习
8.编写exe
9.检测标准
10.项目举例
11.职业规划
文章目录
前言1、电阻①、贴片电阻②、金属膜电阻③、水泥电阻④、制动电阻⑤、电位器⑥、压敏电阻⑦、热敏电阻⑧、光敏电阻⑨、排阻⑩、功率型厚膜电阻⑪、线绕电位器⑫、黄金铝壳电阻⑬、螺旋压脚电阻(锰/康铜丝电阻) 2、电容①、铝电解电容②、贴片电容③、瓷片电容④、独石电容⑤、钽电容⑥、CBB电容⑦、可调电容⑧、高压瓷片电容⑨、CBB61启动电容⑩、安规电容⑪、校正电容 3、电感①、工字型电感②、贴片功率电感③、色码电感④、一体成型功率电感⑤、 CD54贴片功率电感⑥、 共模扼流圈⑦、 环形电感器⑧、2012叠层型电感⑧、穿心电感⑧、贴片共模电感⑨、贴片磁珠⑩、磁环 4、二极管①、红外激光二极管②、红外对管(对射式光电开关)③、红外对管(槽型光电开关)④、整流器、桥堆⑤、整流二极管⑥、数码管 5、三极管①、三极管②、场效应管③、晶闸管 6、运放7、常用芯片①、电源类②、主控类③、接口类④、传感器类⑤、采集类⑥、电机驱动芯片⑦、其他外围芯片 8、芯片散热①、散热片(纯铝制)②、散热片(纯铜制)③、硅胶垫片④、导热硅脂⑤、纯铜水冷头⑥、风冷⑦、半导体降温⑧、导热双面胶带⑨、翅片散热管⑩、拓展 9、通讯线束①、杜邦线②、28AWG网线③、FFC/FPC软排线④、定制硅胶线束⑤、FC灰排线⑥、XH2.54线束 10、电机①、变压器②、玩具马达③、直流减速电机④、空心杯电机⑤、步进电机⑥、单相异步电动机⑦、三相异步电动机⑧、抽水泵 11、电源①、开关电源②、220V品字插座③、保险丝④、纽扣电池 12、按键①、电容式薄膜触摸按键②、电容式PCB触摸按键③、电容式ITO触摸按键④、船型开关⑤、固态继电器⑥、拨码开关⑦、4脚按键⑧、6脚按键 13、接线端子①、XH 2.5mm 1x2P 直插 镀锡②、XK127-5.0MM螺钉式PCB接线端子③、TB系列接线端子④、RJ45插头⑤、水晶头⑥、RS232插座⑦、USB插座⑧、IDC牛角插座⑨、航空插头 14、传感器①、微动开关②、电磁铁③、电阻式薄膜压力传感器 15、人机交互①、蜂鸣器②、屏幕③、摇杆 16、晶振①、HC-49S无源晶体②、贴片无源石英晶振③、3x8圆柱无源晶振④、贴片有源晶振⑤、陶瓷晶振⑥、直插陶瓷晶振3脚⑦、无源晶振谐振器 17、光源①、面光源②、灯珠③、COB光源 后记、好物推荐①、导电泡棉
前言
送给大学毕业后找不到奋斗方向的你(每周不定时更新)
中国计算机技术职业资格网
上海市工程系列计算机专业中级专业技术职务任职资格评审
一个人认知的四种状态——
“不知道自己不知道”
“知道自己不知道”
“知道自己知道”
“不知道自己知道”
为防止日后看到元器件不认识,或者根本就不知道有这种元器件存在,特开设此章。
1、电阻
①、贴片电阻




②、金属膜电阻


电阻器颜色编码计算器
③、水泥电阻





④、制动电阻





⑤、电位器






⑥、压敏电阻





⑦、热敏电阻






⑧、光敏电阻



⑨、排阻






⑩、功率型厚膜电阻




⑪、线绕电位器



⑫、黄金铝壳电阻


⑬、螺旋压脚电阻(锰/康铜丝电阻)



双电阻差分电流采样_小小的采样电阻,还真有点门道!
2、电容
①、铝电解电容









②、贴片电容





③、瓷片电容








④、独石电容






⑤、钽电容






⑥、CBB电容






⑦、可调电容



⑧、高压瓷片电容




⑨、CBB61启动电容




⑩、安规电容
X电容





Y电容


⑪、校正电容










3、电感
①、工字型电感





②、贴片功率电感




③、色码电感



④、一体成型功率电感




⑤、 CD54贴片功率电感




⑥、 共模扼流圈




⑦、 环形电感器



⑧、2012叠层型电感




⑧、穿心电感



⑧、贴片共模电感





⑨、贴片磁珠


⑩、磁环



4、二极管
①、红外激光二极管


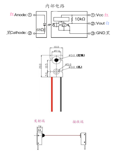
②、红外对管(对射式光电开关)




③、红外对管(槽型光电开关)




④、整流器、桥堆





⑤、整流二极管




⑥、数码管





TM1650数码管驱动芯片
数码管显示数字及小数点
5、三极管
①、三极管





②、场效应管
③、晶闸管
6、运放
7、常用芯片
①、电源类
②、主控类
③、接口类
1、usb转串口芯片
串口指单片机TXD,RXD引脚


2、RS232转串口芯片

232与340区别
3、以太网接口芯片


④、传感器类
1、人体红外感应







⑤、采集类
1、电流采集芯片
1、电流检测电路
2、基于STM32电压检测和电流检测
3、FP130A 电流检测芯片
4、INA282电流采集芯片
⑥、电机驱动芯片
步进电机驱动芯片

⑦、其他外围芯片
1、ULN2003A达林顿管
【芯片应用】ULN2003A达林顿管如何使用?
8、芯片散热
①、散热片(纯铝制)




②、散热片(纯铜制)




③、硅胶垫片



④、导热硅脂

⑤、纯铜水冷头

⑥、风冷



⑦、半导体降温





⑧、导热双面胶带

⑨、翅片散热管

⑩、拓展
油浸变压器的散热过程是:
铁芯和线圈把热量首先传给在其附近的油,使油的温度升高。温度高的油体积增加,比重减小,就向油箱的上部运动。冷油将自然运动补充到热油原来的位置。而热油沿箱壁或散热器管将热量放出,经箱壁或管壁被周围的空气带走,温度降低后又回到油箱下部参加循环。这样,因油温的差别,产生了油的自然循环流动。既热油从变压器油箱的上部,沿散热器(无散热器的沿箱壁)的内表面向下流,在向下流的过程中把热经管壁或箱壁传给空气(风),被冷却的油从散热器下部进入油箱,然后经各油道上升,在上升过程中把线圈和铁芯的热量带走,热油又汇于油箱上部,这样,周而复始不断循环。
油浸自冷式的变压器依靠油箱壁(或散热器管壁)的辐射,和变压器周围空气的自然对流,把热量从油箱表面带走。这种变压器为了增加散热表面,有的箱壁做成波状,有的焊上管子,有的装散热器,以促进油的对流。配电变压器和发电厂的低压变等就属于这种冷却方式。


9、通讯线束
①、杜邦线

②、28AWG网线

③、FFC/FPC软排线



④、定制硅胶线束


⑤、FC灰排线










⑥、XH2.54线束






10、电机
(请注意,变压器属于电机,不属于电源)
①、变压器
电路板上的定制型变压器
村口的油浸式变压器

音响专用环形变压器
工业专用控制变压器

②、玩具马达



③、直流减速电机




④、空心杯电机




⑤、步进电机





⑥、单相异步电动机
此电机要配一个启动电容


⑦、三相异步电动机


⑧、抽水泵



11、电源
①、开关电源

请注意电源温度
②、220V品字插座






③、保险丝











④、纽扣电池






12、按键
①、电容式薄膜触摸按键

②、电容式PCB触摸按键


③、电容式ITO触摸按键

④、船型开关



⑤、固态继电器









⑥、拨码开关








⑦、4脚按键





⑧、6脚按键






13、接线端子
①、XH 2.5mm 1x2P 直插 镀锡

②、XK127-5.0MM螺钉式PCB接线端子





③、TB系列接线端子





④、RJ45插头



⑤、水晶头






⑥、RS232插座



⑦、USB插座

















⑧、IDC牛角插座

⑨、航空插头




14、传感器
①、微动开关





②、电磁铁







推拉式电磁铁

③、电阻式薄膜压力传感器


15、人机交互
①、蜂鸣器






②、屏幕


一定要注意:类似这样带银色的铁壳的液晶屏,一定要将此铁壳良好接大地,用18号线径接。
1、全网最简洁易懂的OLED与LCD屏幕工作原理与优劣科普
2、一个视频带你了解LCD OLED QLED mini-LED等显示技术的区别
③、摇杆









16、晶振
①、HC-49S无源晶体




②、贴片无源石英晶振


③、3x8圆柱无源晶振






④、贴片有源晶振


⑤、陶瓷晶振




⑥、直插陶瓷晶振3脚


⑦、无源晶振谐振器


17、光源
①、面光源





②、灯珠
直插式led灯珠型号与功率:
按型号: 2mm、3mm、4mm、5mm、8mm,10mmled灯珠。
功率: 这些型号的灯珠功率单颗都是0.06瓦。
贴片式led灯珠型号与功率:
按型号:
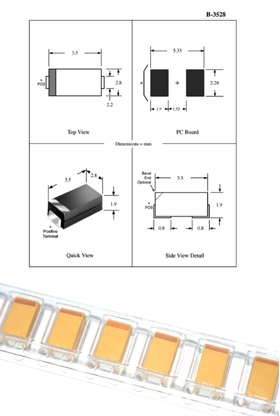
小功率贴片灯珠: 0402、0603、0805、1206、3528灯珠,功率每颗是0.06瓦。
中功率贴片灯珠: 3014、4014、5050、2835灯珠,功率每颗是0.1瓦或0.2瓦为主。
大功率贴片灯珠: 5630、3030、5730、7020、3535、7030灯珠,功率每颗是0.5瓦或1瓦为主。
led灯珠型号与功率,led灯珠规格型号一览表
③、COB光源




后记、好物推荐
①、导电泡棉

