
文章目录
引言一、非线性弹簧系统示例1.1 系统描述1.2 控制目标1.3 系统动态方程1.4 误差函数与控制目标 二、反步控制器设计2.1 李雅普诺夫函数的应用2.2 新的误差函数与控制目标2.3 李雅普诺夫函数的扩展2.4 控制器增益的设计2.5 输入表达式推导 三、系统验证3.1 误差函数的动态方程3.2 反馈线性化3.3 状态特征值分析3.4 系统平衡点稳定性 四、Simulink仿真4.1 Simulink模型构建4.2 动态方程实现4.3 输入信号构建4.4 期望值子系统设计4.5 仿真结果分析(1) 单目标值追踪(2) 多目标值追踪(3) 波动与振荡效果测试(4) 综合效果分析 五、Matlab实现六、总结参考资料

引言
欢迎光临博主的高级控制系统课程系列博客!在这篇文章中,博主将带领大家深入探讨非线性反步控制的奥秘,涵盖了非线性控制器设计的基础知识。
本篇博客内容可谓干货满满,将迎来一系列复杂的数学推导,细致地从头到尾推导了所有相关公式,并将这些结果在 Simulink 中进行验证,理论与实际完美契合!
因此,请各位读者准备好纸笔,跟随博主一起开启这场数学与控制理论交织的思维之旅。前方高能预警,让一起挑战自我,享受知识带来的乐趣吧!
一、非线性弹簧系统示例
先以一个非线性弹簧系统作为控制理论的应用实例开始。
1.1 系统描述
非线性弹簧系统中,小滑块的质量为 m m m ,弹簧的系数为 α \alpha α,受一个向右的力, F F F 向右的方向为 x x x 正方向,其动态方程可以写成
m x ¨ + α x 3 = F m \ddot { x } + \alpha x ^ { 3 } = F mx¨+αx3=F因为有一个非线性弹簧的力存在,所以是非线性系统。
1.2 控制目标
通过改变 F F F ,使小滑块儿按照一条指定的轨迹来进行移动。
1.3 系统动态方程
令:
F = u F = u F=u 代表输入 x 1 = x x_1=x x1=x 代表位移 x 2 = x ˙ x_2=\dot x x2=x˙ 代表速度 目标是令 x 1 x_1 x1 趋向于 x d x_d xd,而这个 d d d 代表了 desired ,就是一条规定的轨迹,这就是目标。
重新把它整理一下,变成
x ˙ 1 = x ˙ = x 2 x ˙ 2 = x ¨ = − α m x 3 + 1 m u \begin{align} \dot{x}_1&=\dot{x}=x_2 \tag{1}\\ \dot{x}_2&=\ddot{x}=-\frac{\alpha}{m}x^3+\frac{1}{m}u \tag{2} \\ \end{align} x˙1x˙2=x˙=x2=x¨=−mαx3+m1u(1)(2) 分析一下这个式子,看到在这里面有一个 u u u ,可以通过改变 u u u ,也就是改变系统的输入来控制 x 2 x_2 x2。而通过控制 x 2 x_2 x2 ,在这个式子当中又可以反向控制 x 1 x_1 x1,这也非常好理解,可以通过作用在滑块上的力 F F F 来控制滑块本身的速度,而这个速度将最终导致滑块所停留的位置改变。
这样的形式叫做链式系统,其实这样的系统在现实当中有很多。比如
空调系统:是通过电扇的转速和加热器的开关来控制向外发出空气的温度,从而最终导致屋内室温的变化。油门系统:通过踩油门来控制进油量,最终控制汽车的速度。1.4 误差函数与控制目标
这时引入误差函数 e e e
e = x 1 d − x 1 (3) e = x _ { 1d } - x _ { 1 } \tag{3} e=x1d−x1(3)
这个情况下目标就发生了改变,希望 e → 0 e\rightarrow0 e→0,因为 e e e 等于 0 0 0 的话,就说明 x 1 x_1 x1 是在跟踪 x 1 d x _{1d} x1d 的,而 e e e 随时间变化,可以对 e e e 求导
e ˙ = x ˙ 1 d − x ˙ 1 \dot { e } = \dot x _ { 1 d } - \dot { x } _ { 1 } e˙=x˙1d−x˙1
把 ( 2 ) ( 2 ) (2) 式代入,就等于
e ˙ = x ˙ 1 d − x 2 (4) \dot { e } = \dot x _ { 1 d } - { x } _ { 2 }\tag{4} e˙=x˙1d−x2(4)
这个式子比较重要,因为目标是让 e e e 趋向于 0 0 0 。
二、反步控制器设计
2.1 李雅普诺夫函数的应用
可以寻找一个李亚普诺夫函数 V ( e ) V(e) V(e),使得 V ( e ) V(e) V(e) 是正定的,而 V ˙ ( e ) \dot V(e) V˙(e) 是负定的,这样就可以最终得出来 e e e 趋向于 0 0 0 的结论。
这时不妨设
V 1 = 1 2 e 2 (5) V _ { 1 } = \frac { 1 } { 2 } e ^ { 2 } \tag{5} V1=21e2(5) 就是选取的第一个李雅普诺夫函数,很显然它是正定函数,因为只有在 e e e 等于 0 0 0 时, V 1 V_1 V1 才等于 0 0 0 ,其他时候 V 1 V_1 V1 都是大于 0 0 0 的
V ˙ 1 = ∂ V 1 ∂ e ⋅ d e d t = e e ˙ = e ( x ˙ 1 d − x 2 ) (6) \dot { V } _ { 1 } = \frac { \partial V _ { 1 } } { \partial e } \cdot \frac { d e } { d t } = e \dot { e } ^ { } = e ( \dot x _ { 1d }- x _ { 2 } )\tag{6} V˙1=∂e∂V1⋅dtde=ee˙=e(x˙1d−x2)(6) 因为希望 e e e 趋向于 0 0 0 ,自然希望 V ˙ 1 \dot V_1 V˙1 是一个负定的系统,所以就可以利用这一项设计
x ˙ 1 d − x 2 = − k 1 e \dot x _ { 1d }- x _ { 2 } =-k_1e x˙1d−x2=−k1e其中,控制器增益 k 1 > 0 k_1>0 k1>0。
此时
V ˙ 1 = − k 1 e 2 \dot{V}_1=-k_1e^2 V˙1=−k1e2很明显是负定函数。
如何实现让它等于 − k 1 e 2 -k_1e^2 −k1e2?
可以利用 x 2 x_2 x2:
x 2 d = x ˙ 1 d + k 1 e (7) x _ { 2 d } = \dot x _ { 1 d} + k _ { 1 } e\tag{7} x2d=x˙1d+k1e(7)其中, x 2 d x_{2d} x2d 就是 x 2 x_2 x2 的期望值,也就是说当 x 2 d = x 2 x_{2d}=x_2 x2d=x2 时, V ˙ 1 = − k 1 e 2 \dot{V}_1=-k_1e^2 V˙1=−k1e2。
2.2 新的误差函数与控制目标
这时新的目标就产生了,需要令 x 2 → x 2 d x _ { 2 } \rightarrow x _ { 2d } x2→x2d 。可以再引入一个误差函数
δ = x 2 d − x 2 (8) \delta = x _ { 2d } - x _ { 2 }\tag{8} δ=x2d−x2(8)这时候把 ( 8 ) (8) (8) 式带入到 ( 6 ) (6) (6) 式当中,可以得到新的 V ˙ 1 \dot V_1 V˙1
V ˙ 1 = e ( x ˙ 1 d − ( x 2 d − δ ) ) \dot { V } _ { 1 } = e ( \dot { x } _ { 1d } - ( x _ { 2d } - \delta ) ) V˙1=e(x˙1d−(x2d−δ))
把 x 2 d x_{2d} x2d 再代入,把 ( 7 ) (7) (7) 式代入
V ˙ 1 = − k 1 e 2 + e δ (9) \dot { V } _ { 1 } = - k _ { 1 } e ^ { 2 } + e \delta \tag{9} V˙1=−k1e2+eδ(9)这时来分析一下 δ \delta δ 的变化
δ ˙ = x ˙ 2 d − x ˙ 2 \dot { \delta } = \dot x _ { 2d } - \dot { x } _ { 2 } δ˙=x˙2d−x˙2把 ( 2 ) (2) (2) 式带入,同时也把 ( 7 ) (7) (7) 式带入
δ ˙ = x ¨ 1 d + k 1 e ˙ − ( − α m x 1 3 + 1 m u ) \dot { \delta } = \ddot { x} _ { 1 d} + k _ { 1 } \dot { e } - ( - \frac { \alpha } { m } x _ { 1 } ^ { 3 } + \frac { 1 } { m } u ) δ˙=x¨1d+k1e˙−(−mαx13+m1u)带入 ( 4 ) (4) (4) 式,消到 e ˙ \dot e e˙,就就可以得到
δ ˙ = x ¨ 1 d + k 1 ( x ˙ 1 d − x 2 ) + α m x 1 3 − 1 m u (10) \dot { \delta } =\ddot x _ { 1 d} + k _ { 1 } ( \dot { x } _ { 1 d} - x _ { 2 } ) + \frac { \alpha } { m } x _ { 1 } ^ { 3 } - \frac { 1 } { m } u\tag{10} δ˙=x¨1d+k1(x˙1d−x2)+mαx13−m1u(10) 这时候目标,新的目标使得系统稳定,就希望 δ , e \delta,e δ,e 都趋向于零。也就是说要找到一个新的里阿普诺夫函数 V ( e , δ ) V(e,\delta) V(e,δ),里面包含了 e e e 和 δ \delta δ ,使得它是正定函数,而且同时满足 V ˙ ( e , δ ) \dot V(e,\delta) V˙(e,δ) 是负定的。
2.3 李雅普诺夫函数的扩展
不妨构造新的李雅普诺夫函数
V 2 = V 1 + 1 2 δ 2 V _ { 2 } = V _ { 1 } + \frac { 1 } { 2 } \delta ^ { 2 } V2=V1+21δ2前面已经验证过了 V 1 V_1 V1 是一个正定的系统,而后面这一项 1 2 δ 2 \frac { 1 } { 2 } \delta ^ { 2 } 21δ2 也是正定的,所以整个来说, V 2 V_2 V2 就是正定的,这时对 V 2 V_2 V2 求导
V 2 ˙ = V 1 ˙ + δ δ ˙ \dot { V _ { 2 } } = \dot { V _ { 1 } } + \delta \dot { \delta } V2˙=V1˙+δδ˙代入 ( 9 ) (9) (9) 式,这时
V ˙ 2 = − k 1 e 2 + e δ + δ δ ˙ = − k 1 e 2 + δ ( e + δ ˙ ) \dot V _ { 2 } = - k _ { 1 } e ^ { 2 } + e \delta + \delta \dot \delta = - k _ { 1 } e ^ { 2 } + \delta ( e + \dot { \delta } ) V˙2=−k1e2+eδ+δδ˙=−k1e2+δ(e+δ˙)
2.4 控制器增益的设计
从上式可见, − k e 2 -ke^2 −ke2 是负定系统,而后面这一项 δ ( e + δ ˙ ) \delta ( e + \dot { \delta } ) δ(e+δ˙) 当然也希望是负定的,所以就可以设计
e + δ ˙ = − k 2 δ e + \dot { \delta } =-k_2\delta e+δ˙=−k2δ 其中, k 2 k_2 k2 也是大于 0 0 0 的控制器增益,这样
V ˙ 2 = − k 1 e 2 − k 2 δ 2 \dot{V}_2=-k_1e^2-k_2\delta ^2 V˙2=−k1e2−k2δ2所以新的目标就是让 e + δ ˙ = − k 2 δ e + \dot { \delta } =-k_2\delta e+δ˙=−k2δ。
2.5 输入表达式推导
这时把 ( 10 ) (10) (10) 代进去可以得到
e + x ¨ 1 d + k 1 ( x ˙ 1 d − x 2 ) + α m x 1 3 − 1 m u = − k 2 δ e + \ddot x _ { 1d }+ k _ { 1 } ( \dot x _ { 1 d} - x _ { 2 } ) + \frac { \alpha } { m } x _ { 1 } ^ { 3 } - \frac { 1 } { m } u = - k _ { 2 } \delta e+x¨1d+k1(x˙1d−x2)+mαx13−m1u=−k2δ这时就可以推出来
u = m e + m x ¨ 1 d + m k 1 ( x ˙ 1 d − x 2 ) + α x 1 3 + m k 2 δ (11) u = m e + m \ddot x _ { 1 d } + m k _ { 1 } ( \dot x _ { 1d } - x _ { 2 } ) + \alpha x _ { 1 } ^ { 3 } + m k _ { 2 } \delta\tag{11} u=me+mx¨1d+mk1(x˙1d−x2)+αx13+mk2δ(11)经过了一系列的计算,这是最终想要得到的输入表达形式。
三、系统验证
下面来验证一下。
3.1 误差函数的动态方程
可以把 ( 8 ) (8) (8) 式代入 ( 4 ) (4) (4) 式,这时就可以得到
e ˙ = x ˙ 1 d − ( x 2 d − δ ) \dot { e } = \dot x _ { 1d }- ( x _ { 2 d } - \delta ) e˙=x˙1d−(x2d−δ)这时再把 ( 7 ) (7) (7) 式 x 2 d = x ˙ 1 d + k 1 e x _ { 2 d } = \dot x _ { 1 d} + k _ { 1 } e x2d=x˙1d+k1e 代入,就可以新的得到
e ˙ = − k 1 e + δ \dot { e } = - k _ { 1 } e + \delta e˙=−k1e+δ再把 ( 11 ) (11) (11) 式带回到 ( 10 ) (10) (10) 式,就可以得到
δ ˙ = x ¨ 1 d + k 1 ( x ˙ 1 d − x 2 ) + α m x 1 3 − e − x ¨ 1 d − k 1 ( x ˙ 1 d − x 2 ) − α x 1 3 − k 2 δ = − e − k 2 δ \begin{aligned} \dot{\delta}&=\ddot{x}_{1d}+k_1\left( \dot{x}_{1d}-x_2 \right) +\frac{\alpha}{m}x_{1}^{3}-e\\ &\ \ \ \ \ -\ddot{x}_{1d}-k_1\left( \dot{x}_{1d}-x_2 \right) -\alpha x_{1}^{3}-k_2\delta\\ &=-e-k_2\delta\\ \end{aligned} δ˙=x¨1d+k1(x˙1d−x2)+mαx13−e −x¨1d−k1(x˙1d−x2)−αx13−k2δ=−e−k2δ
3.2 反馈线性化
把它们两个写在一起
[ e ˙ δ ˙ ] = [ − k 1 1 − 1 − k 2 ] [ e δ ] \left[ \begin{array}{c} \dot{e}\\ \dot{\delta}\\ \end{array} \right] =\left[ \begin{matrix} -k_1& 1\\ -1& -k_2\\ \end{matrix} \right] \left[ \begin{array}{c} e\\ \delta\\ \end{array} \right] [e˙δ˙]=[−k1−11−k2][eδ] 可以发现这是线性系统,所以整个过程就是通过反馈系统把它线性化 ( Feedback Linurization )了。
3.3 状态特征值分析
分析一下这个式子,对于这个系统来说,它的状态特征值
λ 1 + λ 2 = Λ = − k 1 − k 2 < 0 λ 1 ⋅ λ 2 = ∣ − k 1 1 − 1 − k 2 ∣ = k 1 k 2 + 1 > 0 \begin{matrix} \lambda _ { 1 } + \lambda _ { 2 } = \Lambda = - k _ { 1 } - k _ { 2 } < 0 \\ \lambda _ { 1 } \cdot \lambda _ { 2 } = \left| \begin{matrix} -k_1& 1\\ -1& -k_2\\ \end{matrix} \right| = k _ { 1 } k _ { 2 } + 1 > 0 \end{matrix} λ1+λ2=Λ=−k1−k2<0λ1⋅λ2= −k1−11−k2 =k1k2+1>0所以可以推出 λ 1 , λ 2 \lambda_1,\lambda_2 λ1,λ2 一定是同号,并且都小于 0 0 0 。
3.4 系统平衡点稳定性
再来看关于这个系统的平衡点,也就是
[ e ˙ δ ˙ ] = 0 ⇒ [ e δ ] = 0 \left[ \begin{array}{c} \dot{e}\\ \dot{\delta}\\ \end{array} \right] =0\Rightarrow \left[ \begin{array}{c} e\\ \delta\\ \end{array} \right] =0 [e˙δ˙]=0⇒[eδ]=0就是它的平衡点是零点,而因为特征值都小于 0 0 0 ,所以它是渐进稳定的系统。
OK ,所有的问题都已经验证成功。
四、Simulink仿真
现在进入到 Simulink 当中来看一下整个系统的反应。下载链接如下:
链接:Simulink仿真文件
提取码:jjcc
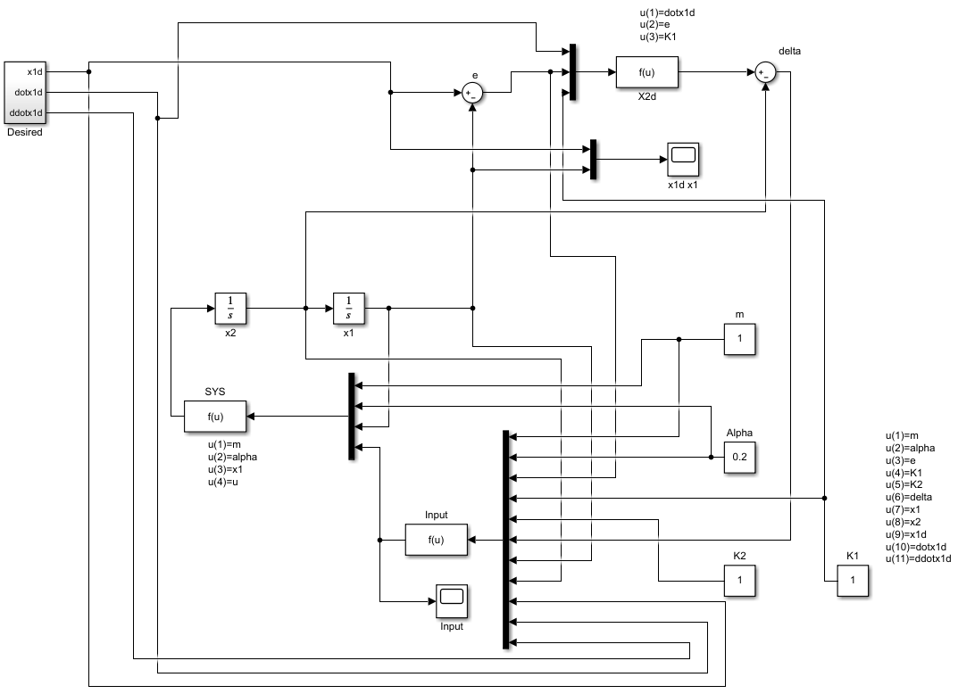
4.1 Simulink模型构建
现在进入到 MATLAB Simulink 里:

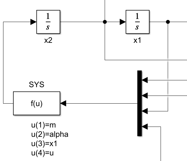
4.2 动态方程实现
下面具体看一下

这一部分是系统的动态方程,有两个积分器,所以经过积分可分别得到 x 1 , x 2 x_1,x_2 x1,x2 这里面就代表了系统方程,-u(2)/u(1)*u(3)^3+1/u(1)*u(4) 而这个方程对应于刚刚推导的 ( 2 ) (2) (2) 式:
x ˙ 2 = − α m x 3 + 1 m u (2) \dot{x}_2=-\frac{\alpha}{m}x^3+\frac{1}{m}u \tag{2} x˙2=−mαx3+m1u(2)
4.3 输入信号构建
再看这一部分

这一部分就是系统输入,有很多项组成,可以在这里进行调节,由这一大堆式子来表明了 u u u 是怎么建立的:
u(1)*u(3)+u(1)*u(11)+u(1)*u(4)*(u(10)-u(8))+u(2)*u(7)^3+u(1)*u(5)*u(6) 4.4 期望值子系统设计
再回到头看左上角的期望值子系统,就是系统的设定值,打开看一下它的样子:

这里把它写成了一个正弦曲线的方法,因为如果自己直接用 Matlab 自带的 DDT 函数,就是 Derivative 模块的话,并不是一个很好的选择,因为它是用数值来解的,会出现无穷点,所以这部分自己写,因为考虑到是 sin 函数,所以这第一部分 sinx1 函数如下:
u(2)+u(3)*sin(u(1)*pi/u(4)) 左侧第二个模块 u(2) 为重复序列阶梯(Repeating Sequence Stair),u(3) Osc 为正弦函数的变化幅值,再乘以 sin 正弦函数。下面两个分别是它的导数以及二阶导数。
4.5 仿真结果分析
(1) 单目标值追踪
先来看一下,把正弦函数的变化幅值 Osc 设成 0 0 0 。假如就让目标值到 3 3 3 ,让 x 1 x_1 x1 的初始值是 0 0 0 ,这时候运行一下

这个 scope 代表了 x 1 x_1 x1 和 x 1 d x_{1d} x1d, x 1 x_1 x1 是从 0 0 0 开始的, 3 3 3 是目标值,红线是目标,可以看到它很好地追踪到了黄线上。
(2) 多目标值追踪
这时改一下,把期望值改成有多个目标值的阶梯形式,比如 [3 5 7 2 1].',再来做运行一下

可以看到也是非常好的追踪效果。
(3) 波动与振荡效果测试
再来改一下,加上一些 波动,都让它从 3 3 3 开始,但是存在以 10 10 10 秒为周期的波动。

所以这时来看红线是想要的,走一个正弦波的形状,蓝线也是非常好的追踪效果,很快地就追踪过去了。
这时的输入可想而知,也是类似正弦的效果:

(4) 综合效果分析
这时再把期望值的 u(2) 复杂一点,比如说 [3 5 3 5 2].',同样让它有一个正弦信号的波动,这样再来看

追踪的效果依然还是非常好的,看到大概在 5 5 5 秒左右时,就可以很完整地贴合过去,最终效果比较好,大家可以把它下载下来,以后自己尝试不同的组合玩一玩。而且大家可以修改质量块的质量,修改弹性系数,包括可以修改不同的控制器增益,看会有什么不同的反应。
五、Matlab实现
%DSC example%--------------------------------system-----------------------------------%%dot_x1=x2%dot_x2=-x1^2+u%-------------------------------settings----------------------------------%%initial state%x1(0)=0.5,x2(0)=0%sample time%tao=0.01%tracking target%x_1d=[3 1 4 1 3]//interval time:20%-------------------------------------------------------------------------%%-------------------------------数据初始化--------------------------------%%参数取值k1=1;k2=50;%采样时间tao=0.01;%总采样次数T=10000;%总时间total_time=tao*T; %观测时间设置为100秒%定义初始状态x1_initial=0.5;x2_initial=0;u_initial=0;%定义状态变量矩阵和控制变量矩阵x1=zeros(1,T);x2=zeros(1,T);u=zeros(1,T);%x1d的定义x1d=zeros(1,T);for i=1:T/5 x1d(i)=3;endfor i=T/5+1:2*T/5 x1d(i)=1;endfor i=2*T/5+1:3*T/5 x1d(i)=4;endfor i=3*T/5+1:4*T/5 x1d(i)=1;endfor i=4*T/5+1:T x1d(i)=3;end%x2d初始化x2d=zeros(1,(T));%x2_bar表示x2上面带杠杠x2_bar=0;for k=1:T if k==1 x1(k)=x1_initial+tao*x2_initial; x2(k)=x2_initial+tao*(-x1_initial^2+u_initial); x2d(k)=x2_bar; x2_bar=(x1d(k)-0)/tao-k1*(x1(k)-x1d(k)); u(k)=-(x1(k)-x1d(k))+x1(k)^2+(x2_bar-x2d(k))/tao-k2*(x2(k)-x2d(k)); else x1(k)=x1(k-1)+tao*x2(k-1); x2(k)=x2(k-1)+tao*(-x1(k-1)^2+u(k-1)); x2d(k)=x2_bar; x2_bar=(x1d(k)-x1d(k-1))/tao-k1*(x1(k)-x1d(k)); u(k)=-(x1(k)-x1d(k))+x1(k)^2+(x2_bar-x2d(k))/tao-k2*(x2(k)-x2d(k)); endendfigure(1),hold on;plot(x1,'b','linewidth',1.2);plot(x1d,'r','linewidth',1.2);xlabel('时间/s');ylabel('信号幅值');title('动态面控制效果');legend('x1','x1d')set(gca,'xticklabel',0:10:100);hold off; 六、总结
在本篇博客中,通过一个非线性弹簧系统实例,深入探讨了控制理论的应用。首先描述了系统的动态方程,并提出了控制目标:通过改变输入力 F F F,使小滑块按照指定轨迹移动。接着引入误差函数,并利用李雅普诺夫函数设计了反步控制器,通过反馈线性化将非线性系统转化为线性系统,并分析了系统的稳定性。
在 Simulink 仿真环节,构建了系统模型,并进行了动态方程的实现。通过设定不同的期望值,观察了系统对单目标值、多目标值以及波动和振荡效果的追踪能力。仿真结果显示,系统具有良好的追踪效果和稳定性。
本篇博客的内容就到这,下篇博客将进入自适应控制中,也就是说如果整个系统受到外界的不确定扰动,应该如何设计控制器,欢迎大家留言讨论。
参考资料
[1]【Advanced控制理论】15_Nonlinear Backstepping Control_反馈线性化控制_Feedback Linearization
[2] 全网最细反步法控制(Backstepping)设计讲解!!(3)——反步法控制、动态面matlab实例!(Dyanamic surface control)
后记:
? 感谢您耐心阅读这篇关于 反步法控制器原理与应用实例解析 的技术博客。 ?
? 如果您觉得这篇博客对您有所帮助,请不要吝啬您的点赞和评论 ?
?您的支持是我继续创作的动力。同时,别忘了收藏本篇博客,以便日后随时查阅。?
? 让我们一起期待更多的技术分享,共同探索移动机器人的无限可能!?
?感谢您的支持与关注,让我们一起在知识的海洋中砥砺前行 ?